

![]() |



Thank you for your choice of our DWEC-D1 Explosion-Proof Network Speed Dome. This product is designed according to IEC/EN 60079-0, IEC/EN 60079-1 and IEC/EN 60079-31 standards. The products are certified for nstallation in Zone 21, Zone 22 for Dust.
Safe and reliable operation
Tailored exactly to your need
General product information:
The DWEC series megapixels network hd series explosion-proof quick spherical camera consists of two arts;Outside of the explosion-proof cover parts, cameras.External explosion protection shield by spherical amera shield and cable into the device of two parts.Rapid spherical explosion-proof camera cover assembly is omposed of shell parts, Windows components;Cable entry device by glue ontology, composite cables,compression screw, sealing ring and rubber composition.Shell using 304 or 316L steel structure.
Within the pressure-resistant enclosure, various camera modules and lenses reflecting different technical pecifications. Accessory components such as PTC heating elements, miniature fans, NIR LED, lighting devices,mechanical components and clamps made of aluminum are optional. Criteria for selecting the camera module re, for example, trans-mission technology (digital or analog), control functions (IR cut filter, iris, focus), light ensitivity, angle of view, object distance, resolution, optical zoom range, frame rate, or transmission delay.Thermal imaging applications are possible as well.
Service hotline:
0523-88317000 88318288
? Stainless Steel 304 or 316L with
electro-polish finish
? It can carry HD-IP HD network camera core,
HD-SDI high-definition digital camera core
and traditional analog camera core.
? All-In-One - Receiver, Pan/Tilt, Enclosure &
Optics Package (IOP) & Auto-Heater
(Optional)
? Multiple Language options
? Advanced OSD Menu
? Alarm inputs/outputs
? Various scanning options
? Intelligent system with many features
The DWEC-P is designed and ATEX/IECEX certified for use in hazardous area locations and areas with extreme
weather conditions such as:
?Chemical Plants ?Petrochemical Plant
?Off shore Drilling Rigs ?Land-based Drilling Rig
?Tankers and Tanker Depots ?Fueling Stations
?Bulk Loading Stations ?Fertilizer Plants
?Defense & Aero-Space Installations ?Gas Plants
?Munitions Storage Depots ?Liquefied Natural Gas Terminals
?Oil & other Refineries ?Oil & Gas Metering Facilities
?Paint & Varnish Manufacturing Plants ?Grain Processing & Similar Industries






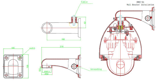
W:Wall Bracket
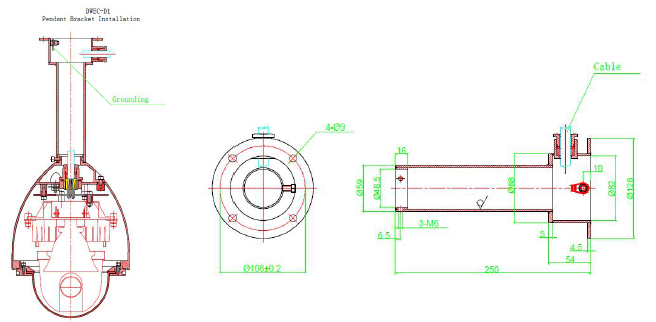
P:Pendant Bracket
|
Please write what you need, we will contact you asap!
Give technical advice within 30 minutes | Provide program design within 24 hours | Send domestic / foreign engineers within 24/72 hours
|
