

![]() |



DWBLCS 暖風機采用優質空氣加熱器、 高性能風機和電機總成。
我們所有的加熱器的設計和制造是根據客戶的要求和工作條件。 材質碳鋼噴漆或不銹鋼。 加熱元件材料為不銹鋼。
系列隔爆型空氣加熱器熱效率高, 是由一個特定的表面負載 Pa 確定, 這是根據操作條件的優化實現。 溫度監測到加熱器 和依從性的保護溫度等級由溫度傳感器、 加熱元件、 機電開關或電子監控設備進行。
為了安全運行該加熱器, 流量監控 是需要規則。
空氣加熱器用于加熱危險環境氣體。 例如: 石油化工制品, 化學制品以及制藥行業, 原油和天然氣生產, 油漆存儲以及 其它廣泛的易燃易爆領域。
咨詢熱線:
0523-88317000 88318288



請參考下面的表格排序。如果你需要更多的信息,請聯系我們的銷售代表協助。
你可以幫助我們回答你的詢問, 至少你給我們下面的數據:
?介質, 流量, 進出口溫度
?所需的加熱容量、 電壓
?風管尺寸、 安裝位置
?用于加熱元件、 風道和連接盒的材料
?防爆: 區域分類, 溫度等級
?環境條件
?材料:
-機柜和加熱器接線盒: 不銹鋼 AISI 316L
- 風葉: 鑄造鋁
-加熱元件: 不銹鋼 AISI 316L
?頻率: 50 / 60 赫茲
?度控制面板防護等級 IP66
?度風機電機保護: IP55, IP65
?環境溫度: 40°C + 55°C
?最大空氣流量:
-功率: 3.5 - 7 - 10.6 千瓦
3.5kw: 1550 / 1890 米?/小時
7 - 10.6 千瓦: 2500 / 3500 米?/ H 50 或 60Hz
-功率: 11.7 - 15.6 - 19.5 千瓦
11.7 - 15.6 - 19.5 千瓦: 3800/4600 米?/小時
功率: 23.4 - 27.3 - 31.2 - 35.1 千瓦
23.4 - 27.3 - 31.2 - 35.1 千瓦: 4800 / 6800m?/小時
在墻上安裝和固定必須在垂直位置上進行。 對于底部的氣流, 必須有足夠的空間。
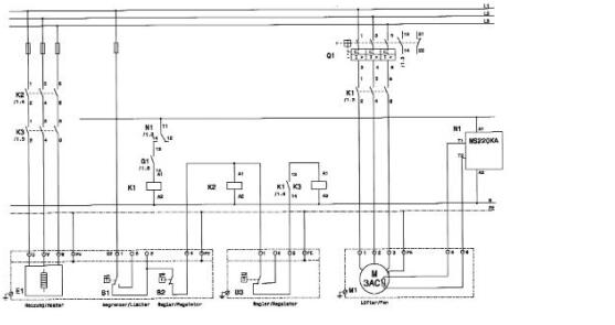
電氣連接應根據 EN 60079-14 第 9 節電纜截面根據額定電流。 根據方案, 接線如下圖所示。 通風機的電動機只能通過串聯的斷路器操作, 并具有跳閘特性。
根據要求, 我們可以提供完整的控制板在防爆執行或安裝在安全區。

|
填寫您的需求,我們將會在最短的時間內與您取得聯系
30分鐘內給予技術咨詢答復 | 24小時內提供明確方案設計 | 24/72小時內完成國內/外工程師派遣
|

![]() |
![]() Copyright (C) 2000-2018 All Rights Reserved. 蘇ICP備12036863號 德威電氣江蘇有限公司版權所有
|
![]() |